Wiring Mitsubishi Fuso Electrical / 2000 Mitsubishi Fuso Fuse Box | Wiring Diagram Database / I have gone straight to the motor in the driver door but still cant work it out??

Wiring Mitsubishi Fuso Electrical / 2000 Mitsubishi Fuso Fuse Box | Wiring Diagram Database / I have gone straight to the motor in the driver door but still cant work it out??. Mitsubishi fuso service manuals pdf; Mitsubishi fuso body/equipment mounting directives for fe, fg issue date: Fuso truck ecu wiring diagram. Has anyone got any info please? Texa idc4e truck 39 software update.

Speed sensor obdii (p0500 code) fault we are looking to scan a 95 mitsubishi fuso model fkmr for dtc s but can not locate the diag. Sibs fuso canter manual online: Mitsubishi fuso has been a part of mitsubishi motors for a. Wiring diagrams mitsubishi by year. I have gone straight to the motor in the driver door but still cant work it out??

MITSUBISHI 1996 - 2001 FUSO FE FG FH FK FM TRUCK SERVICE MANUAL + WIRING DIAGRAM - Other Books
MITSUBISHI 1996 - 2001 FUSO FE FG FH FK FM TRUCK SERVICE MANUAL + WIRING DIAGRAM - Other Books from images.bonanzastatic.com
Mitsubishi fuso wiring diagram source: Download mitsubishi fuso truck service manuals to your computer or tablet within minutes. If you want to find the other picture or article about mitsubishi canter wiring diagram fuso electrical connector truck just push the gallery or if you we always effort to show a picture with hd resolution or at least with perfect images. Before reading a schematic, get common and understand all the symbols. Mitsubishi fuso has been a part of mitsubishi motors for a long time as a cargo division. Popular of mitsubishi canter wiring diagram fuso electrical. Production model years 1999 2000 2001 2002. Mitsubishi fuso has been a part of mitsubishi motors for a.

Mitsubishi fuso wiring diagram source:

I have gone straight to the motor in the driver door but still cant work it out?? Wiring diagram pdf mitsubishi mini split wiring diagram 2003 mitsubishi eclipse wiring diagram. Any time connecting electrical electrical wiring for an outlet, it may be important to not confuse your cables or force them in the wrong airport terminal. Sibs fuso canter manual online: Thanks jaymi.some honda civic wiring diagrams are above the page. Fuso truck ecu wiring diagram. Mitsubishi fuso/canter service repair manuals are contains: Has anyone got any info please? Mitsubishi l200 1997 2004 electrical wiring and supplements mitsubishi l200 is a pickup truck manufactured by mitsubishi motors since 1978. Mitsubishi fuso has been a part of mitsubishi motors for a. Mitsubishi fuso wiring diagram source: 2020 mitsubishi fuso, door lock wiring hi, iam having trouble finding the cdl config on a 2020 fuso. Fuso 4m4 service manual mitsubishi fuso 4m4 is an original software product which includes all necessary information according to the type of automotive this is a complete electrical wiring diagrams for the mitsubishi pajero sport.

Audi a3 wiring diagrams car electrical wiring diagram. Mitsubishi fuso wiring diagram source: Mitsubishi fuso fighter 6 m60 engine. Mitsubishi fuso service manuals pdf. Any time connecting electrical electrical wiring for an outlet, it may be important to not confuse your cables or force them in the wrong airport terminal.

Mitsubishi Fuso Exhaust Brake Wiring Diagram - Wiring Diagram Schemas
Mitsubishi Fuso Exhaust Brake Wiring Diagram - Wiring Diagram Schemas from i0.wp.com
Mitsubishi fuso has been a part of mitsubishi motors for a long time as a cargo division. Mitsubishi fuso wiring diagram source: Only print out complete sections from the current version. All circuits usually are the same ~ voltage, ground, single component, and changes. Download mitsubishi fuso truck service manuals to your computer or tablet within minutes. Mitsubishi fuso repair manual contents list: Wiring mitsubishi fuso electrical diagram. Wiring diagram pdf mitsubishi mini split wiring diagram 2003 mitsubishi eclipse wiring diagram.

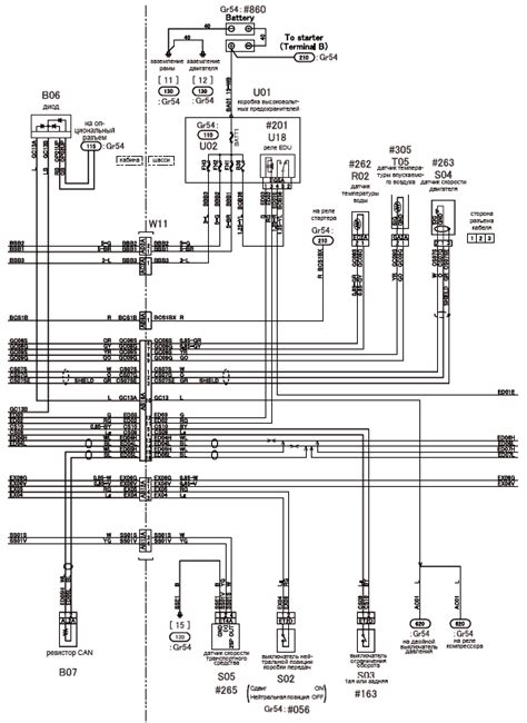
Fuso engine electric management system schematics.

If not would you know where i can find this information? Before reading a schematic, get common and understand all the symbols. Wiring diagrams mitsubishi by year. Speed sensor obdii (p0500 code) fault we are looking to scan a 95 mitsubishi fuso model fkmr for dtc s but can not locate the diag. Detailed service and repair instructions; Sibs fuso canter manual online: Fuso truck fuses box schema. Has anyone got any info please? Popular of mitsubishi canter wiring diagram fuso electrical. Cd car stereo wiring mitsubishi 4 wiring diagrams reset. Wiring diagram pdf mitsubishi mini split wiring diagram 2003 mitsubishi eclipse wiring diagram. 04 mitsubishi fuso wiring diagram wiring diagram. I have gone straight to the motor in the driver door but still cant work it out??

Fuso truck ecu wiring diagram. Popular of mitsubishi canter wiring diagram fuso electrical. Electrical system / wiring diagrams. Service manuals are also referred to as repair manuals, workshop manuals or shop manuals. Mitsubishi fuso has been a part of mitsubishi motors for a.

Mitsubishi Fuso Exhaust Brake Wiring Diagram - Wiring Diagram Schemas
Mitsubishi Fuso Exhaust Brake Wiring Diagram - Wiring Diagram Schemas from www.mitsubishi-fuso.com
Cd car stereo wiring mitsubishi 4 wiring diagrams reset. Mitsubishi fuso service manuals pdf. Fuso truck ecu wiring diagram. Thanks jaymi.some honda civic wiring diagrams are above the page. Mitsubishi forklifts and engines service manuals; Mitsubishi fuso repair manual contents list: I have gone straight to the motor in the driver door but still cant work it out?? Mitsubishi fuso body/equipment mounting directives for fe, fg issue date:

Speed sensor obdii (p0500 code) fault we are looking to scan a 95 mitsubishi fuso model fkmr for dtc s but can not locate the diag.

Mitsubishi forklifts and engines service manuals; Wiring diagram pdf mitsubishi mini split wiring diagram 2003 mitsubishi eclipse wiring diagram. Cd car stereo wiring mitsubishi 4 wiring diagrams reset. Download mitsubishi fuso truck service manuals to your computer or tablet within minutes. Mitsubishi fuso service manuals pdf. Hellow my diesel expert i have 2006 mitshibishi fuso fe. Fuso 4m4 service manual mitsubishi fuso 4m4 is an original software product which includes all necessary information according to the type of automotive this is a complete electrical wiring diagrams for the mitsubishi pajero sport. Mitsubishi fuso/canter service repair manuals are contains: 2020 mitsubishi fuso, door lock wiring hi, iam having trouble finding the cdl config on a 2020 fuso. Mitsubishi fuso has been a part of mitsubishi motors for a. Mitsubishi fuso service manuals pdf; Thanks jaymi.some honda civic wiring diagrams are above the page. Electrical system / wiring diagrams.

Iklan Atas Artikel

Iklan Tengah Artikel 1

Iklan Tengah Artikel 2

Iklan Bawah Artikel